المحيميد يفوز ب ”فضية معرض الاختراعات الدولي“ بالكويت
جهات الإخبارية عبد الله ال جبر - أم الحمام
فاز الشاب أحمد سلمان المحيميد بالمركز الثاني في مجال حماية البيئة في المعرض الدولي للاختراعات في الشرق الأوسط الذي أقيم في دولة الكويت برعاية من أمير الكويت ممثلة في محافظ العاصمة الشيخ طلال الخالد وبمشاركة 41 دولة.
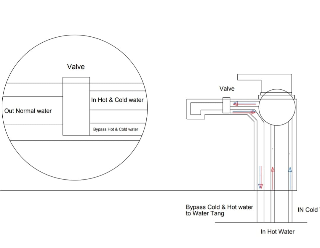
وقد شارك ”المحيميد“ باختراع عبارة عن صمام وخط راجع بالحنفية لحفظ المياه وإعادة تدويرها خلال فترة انتظار الماء الحار أو البارد، بهدف ايقاف الهدر المائي والمحافظة على الثروة المائية وتخفيض تكاليف فاتورة المياه.
والشاب المحيميد من أهالي بلدة أم الحمام وحاصل على شهادة البكالوريوس في إدارة الأعمال من جامعة الملك فيصل، إضافة إلى دبلوم في الإتصالات ويعمل في القطاع الخاص.














